| Sign In | Join Free | My china-telecommunications.com |
|
Brand Name : ZTAC
Model Number : 002
Certification : CE, SGS
Place of Origin : China
MOQ : 1 set
Price : under discuss
Payment Terms : L/C, D/A, T/T
Supply Ability : 30 sets per month
Delivery Time : 3 months
Packaging Details : Nude with anti-oil package
Galvanized Light Steel Keel Suspended Ceiling System T Grid Rolling Forming Machine
Galvanized Light Steel Keel Suspended Ceiling System T Grid Rolling Forming Machine is designed to make the ceiling T bar or Ceiling suspension grid by rolling forming principle.
For the ceiling T bar, it has the following advantages:
1. Economical, easy to install, using less labor to complete the installation compared with conventional extruded aluminum tee system.
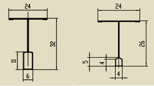
Here take the following drawing profile for your reference:



Take the above drawing profile for example:
1. The machine is designed based on the customer drawing profile, here I take one type for your reference. The main T size is 24x30
Machine design ideas:
Same like other rolling forming machines, the ceiling T bar machine is also composed by the following
elements: Actually all elements could be customized according to the customer needs.
1. Decoiler, you can choose to use the manual one or hydraulic one.
2. Main rolling forming machine:
2.1 Frame: Molding frame or pillar frame.
2.2 Transmission: gearbox or chain or gear
3. Punching part.
3.1 one time one holes punching or high speed whole pieces punching.
3.2 By the following parts to Know more details about the machine

Some information about the ceiling T bar rolling forming machine:
1. Roller station: 18 main wheels, 2 sets for calibration.
3. Main machine platform is 30MM thick, and the surrounding sides are 6MM thick, welded as a whole. The main working surface is polished with a gantry grinder to make the surface flat and smooth. Using 45 # ace steel.
4.Roller material: CR12MOV mold steel and subjected to vacuum heat treatment to achieve uniform hardness, with an average hardness of HRC55. The surface is smooth and does not scratch the product.
5. The shaft material 40CR quenching and tempering, diameter 45mm.
6. Motor power 5.5KW
Brand: Siemens all copper wire motor, and each roller is driven by an independent 1:15 gearbox, which is stable and has low noise.
7. Two material racks are capable of carrying 500KG single head vertical, manually tightened.
8. The guide pillar type high-precision frame has a thickness of 38, with 8 Japanese NSK6206 bearings per group. The surface of all frames is treated with black to make them less prone to rust and resistant to knocking.
9. The mold frame is made of 45 # ace steel, all of which are precision processed and have a blackened surface treatment.
10. The mold can be quickly replaced in the form of inserts, and the material is made of Japanese SKD11 and vacuum heat treated. The mold steel plate is made of 50 # ace steel, which is finely processed.
11. The stamping worktable is an integrated type, with a thickness of 30MM on the worktable and a thickness of 6MM on the side. The surface is finely ground. Side anti-corrosion treatment.
12. The hydraulic pump adopts Taiwan Kaijia brand, the oil valve adopts Taiwan Oilfield brand, all oil pipes are made of steel wire, the motor is a 15KW all copper wire temperature resistant motor, and the oil circuit block is finely ground.
13. Energy storage fast stamping, complete punching and punching in one go without stopping the machine for stamping (note: currently the only manufacturer in China and Taiwan that can complete punching and punching in one go without stopping the machine)
14. The hydraulic system adopts a 70P oil cooler to control the oil temperature through oil circulation.
15. The stamping part of the straight track moves back and forth, with Taiwan servo controller and motor, PLC from Delta, and touch frequency from Weilun. The low-voltage electrical equipment is Siemens.
16. The lacquer fabric used for the keel machine is 0.18 to 0.23 millimeters thick. Base material: 0.25-0.04mm thick galvanized strip steel,
17. Can produce metric and British products, 3600mm. There is a dedicated clip for adjusting the size.
18. Production process: strip uncoiling - rolling forming - straightening - automatic hydraulic punching - packaging - finished product
19. Production line equipment capacity, 0-30 meters (8-10 units).
20. The import guide and straightener can be adjusted in all directions
21. The unit has a waste conveyor belt and a material receiving device
Regarding the design and manufacturing of punching molds according to mold standards, the molds include:
1. Front punching end mold: 1 set
2. Back punching end mold: 1 set
3. Punching mold: 8 sets (4 holes per mold) (note: equipped with 4 faucets and 36 punching inserts)
23. The keel machine has a product receiving platform. Made of stainless steel.
26. Electrical control system for production line, variable frequency control for rolling mill, servo control for cutting and punching unit, with human-machine interface, displaying speed, product length, output, equipment failure, and appropriate emergency stop switches should be equipped at corresponding positions on the production line

As to the ceiling T bar, we have the following types also silhouette T bar:


Here is the ceiling T bar rolling forming machine working video:
|
|
Galvanized Light Steel Keel Suspended Ceiling System T Grid Rolling Forming Machine Images |